Product Summary
The CM1600HC-34H is a 3rd-Version HVIGBT Module. The applications of the CM1600HC-34H include Traction drives, High Reliability Converters / Inverters, DC choppers.
Parametrics
CM1600HC-34H absolute maximum ratings: (1)Collector-emitter voltage, VCES: 1700V; (2)Gate-emitter voltage, VGES: ±20V; (3)Collector current, ic: 1600A; ICM: 3200A; (4)Emitter current, IE: 1600A; IEM: 3200A; (5)Maximum power dissipation, PC: 12500W; (6)Junction temperature, TJ: -40 to 125℃; (7)Operating temperature, TOP: -40 TO 125℃; (8)Storage temperature, TSTG: -40 TO 125℃; (9)Isolation voltage, VISOL: 4000V.
Features
CM1600HC-34H features: (1)IC: 1600A; (2)VCES: 1700V; (3)Insulated Type; (4)1-element in a Pack; (5)AISiC Baseplate; (6)Soft Reverse Recovery Diode.
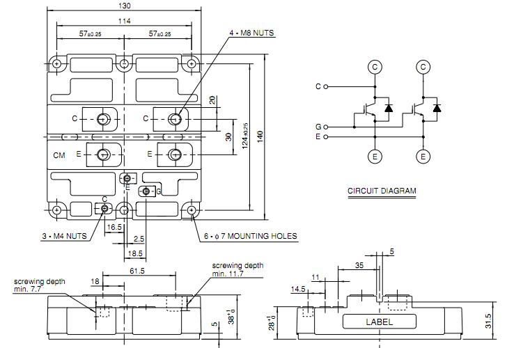
Diagrams

| Image | Part No | Mfg | Description | ![]() |
Pricing (USD) |
Quantity | ||||||||||||
|---|---|---|---|---|---|---|---|---|---|---|---|---|---|---|---|---|---|---|
![]() |
![]() CM1600HC-34H |
![]() Other |
![]() |
![]() Data Sheet |
![]() Negotiable |
|
||||||||||||
| Image | Part No | Mfg | Description | ![]() |
Pricing (USD) |
Quantity | ||||||||||||
![]() |
![]() CM1600HC-34H |
![]() Other |
![]() |
![]() Data Sheet |
![]() Negotiable |
|
||||||||||||
![]() |
![]() CM16022ASFAYA-03 |
![]() Other |
![]() |
![]() Data Sheet |
![]() Negotiable |
|
||||||||||||
![]() |
![]() CM160808-10NJL |
![]() Bourns |
![]() RF Inductors CHIP INDUCTOR SMT 10uH |
![]() Data Sheet |
![]()
|
|
||||||||||||
![]() |
![]() CM160808-12NJL |
![]() Bourns |
![]() RF Inductors CHIP INDUCTOR SMT 12uH |
![]() Data Sheet |
![]()
|
|
||||||||||||
![]() |
![]() CM160808-15NJ |
![]() Bourns |
![]() RF Inductors 15uH 5% Laser Cut Winding |
![]() Data Sheet |
![]() Negotiable |
|
||||||||||||
![]() |
![]() CM160808-3N9JL |
![]() Bourns |
![]() RF Inductors CHIP INDUCTOR SMT 3.9uH |
![]() Data Sheet |
![]()
|
|
||||||||||||
(China (Mainland))












