Product Summary
The BSM30GD60DLC is an IGBT module.
Parametrics
BSM30GD60DLC absolute maximum ratings: (1)collector-emitter voltage VCES: 600 V; (2)DC-collector current IC: 40 A; (3)repetitive peak collector current ICRM: 60 A; (4)total power dissipation Ptot: 135 W; (5)gate-emitter peak voltage VGES: +/- 20V V; (6)DC forward current IF: 30 A; (7)repetitive peak forw. current tP = 1 ms IFRM: 60 A.
Features
BSM30GD60DLC features: (1)collector-emitter saturation voltage: 2.20V; (2)gate threshold voltage: 4.5 V; (3)input capacitance: 1.3nF.
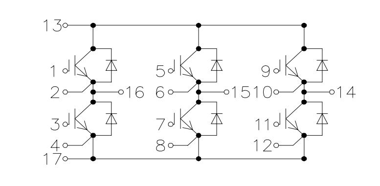
Diagrams

| Image | Part No | Mfg | Description | ![]() |
Pricing (USD) |
Quantity | ||||||||
|---|---|---|---|---|---|---|---|---|---|---|---|---|---|---|
![]() |
![]() BSM30GD60DLC |
![]() Infineon Technologies |
![]() IGBT Modules 600V 30A 3-PHASE |
![]() Data Sheet |
![]()
|
|
||||||||
![]() |
![]() BSM30GD60DLCE3224 |
![]() Infineon Technologies |
![]() IGBT Modules N-CH 600V 40A |
![]() Data Sheet |
![]()
|
|
||||||||
(China (Mainland))









