Product Summary
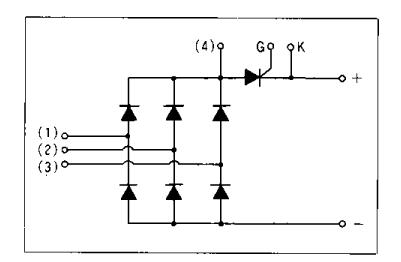
The 6R1TI30Y-080 is a diode and tyristor module. The applications of the 6R1TI30Y-080 include dinamic braking of AC motors.
Parametrics
6R1TI30Y-080 absolute maximum ratings: (1)VRRM: 800V; (2)VDRM: 800V; (3)VRSM: 900V; (4)IO: 30A; (5)ITSM: 300A; (6)I2T: 375A2s; (7)TJ: -40 to 125℃; (8)Tstg: -40 to 125℃; (9)Viso: 2500V.
Features
6R1TI30Y-080 features: (1)glass passivation chip; (2)easy connection; (3)insulated type; (4)large di/dt; (5)large dv/dt.
Diagrams

(China (Mainland))






