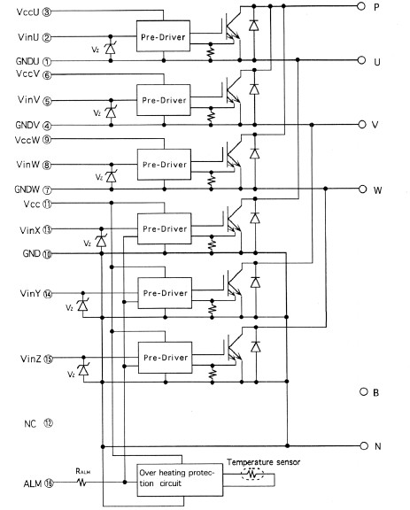
Product Summary
The 6MBP160RA-060 is an IGBT-IPM.
Parametrics
6MBP160RA-060 absolute maximum ratings: (1)DC Bus Voltage VDC: 0 to 450 V; (2)DC Bus Voltage (surge) VbC(SURGE): 0 to 500 V; (3)DC Bus Voltage (short operating) Vsc: 200 to 400 V; (4)Co lector-Emitter Voltage VCES: 0 to 600 V; (5)Collector Current DC Ic: 100 A; (6)Collector Current 1 mS Icp: 200 A; (7)Collector Current Duty=42.0% -Ic: 100 A; (8)Collector Power Dissipation One Transistor Pc: 400 W; (9)Junction Temperature Tj: 150 ℃; (10)Input Voltage of Power Supply for Pre-Driver: Vcc: 0 to 20 V; (11)Input Signal Voltage Vin: 0 to Vz V; (12)Input Signal Current lin: 1 mA; (13)Alarm Signal Voltage -VALM >K3: 0 to Vcc V; (14)Alarm Signal Current IALM ^4: 15 mA; (15)Storage Temperature Tstg: -40 to 125 ℃; (16)Operating Case Temperature TOP: -20 to 100 ℃; (17)Isolation Voltage (Case-Terminal) Viso AC: 2.5 kV.
Features
6MBP160RA-060 features: (1)Collector Current at off Signal Input ICES VCE=600V: 1.0 mA; (2)Collector-Emitter Saturation Voltage VcE(sat) lc=l 00A: 2.9 V; (3)Forward Voltage of FWD VF -lc=1 00A: 3.3 V.
Diagrams

(China (Mainland))






