Product Summary
The 2MBI300KB-060 is an IGBT module. Applications of the 2MBI300KB-060 are High Power Switching ,A.C. Motor Controls ,D.C. Motor Controls ,Uninterruptible Power Supply.
Parametrics
2MBI300KB-060 absolute maximum ratings: (1)Collector-Emitter Voltage VCES: 600 V; (2)Gate -Emitter :Voltage VGES: ± 20 V; (3)Collector Current Continuous IC: 300A; (4)Collector Current 1ms IC PULSE: 600A; (5)Collector Current Continuous -IC 300A; (6)Collector Current 1ms -IC PULSE: 600A; (7)Max. Power Dissipation PC: 1100 W; (8)Operating Temperature Tj: +150 °C; (9)Storage Temperature Tstg: -40 ~ +125 °C; (10)Isolation Voltage A.C. 1min. Vis: 2500 V.
Features
2MBI300KB-060 features: (1)Square RBSOA; (2)Low Saturation Voltage; (3)Less Total Power Dissipation; (4)Improved FWD Characteristic; (5)Minimized Internal Stray Inductance; (6)Overcurrent Limiting Function (~3 Times Rated Current).
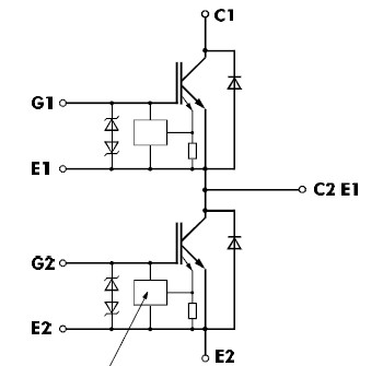
Diagrams

(China (Mainland))






