Product Summary
The K2CU-P0.5A-B is a solid-state relay.
Parametrics
K2CU-P0.5A-B absolute maximum ratings: (1)Operating current range of input circuit: 2 to 160 A; (2)Insulation breakdown of output contact: 500 VAC; (3)Open-phase operating time: 2 s max.; (4)Ambient temperature Operating: -10 to 60 °C (with no icing), Storage: -25 to 65 °C.
Features
K2CU-P0.5A-B features: (1)Protects 3-phase induction motors and their loads from damage; (2)Selection and combination of operating functions from overcurrent, open-phase, and reverse-phase; (3)Circuit and output relay operation can be checked by just operating the test button; (4)The set time value can be checked easily because operation time is indicated from the start of operation; (5)Space-saving, integrated construction.
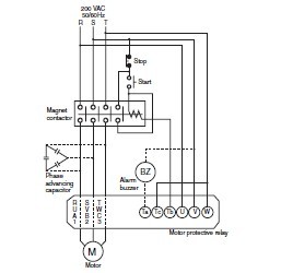
Diagrams

| Image | Part No | Mfg | Description | ![]() |
Pricing (USD) |
Quantity | ||||||||||||
|---|---|---|---|---|---|---|---|---|---|---|---|---|---|---|---|---|---|---|
![]() |
![]() K2CU-P0.5A-B |
![]() |
![]() DETECTOR ELEMENT BURNOUT PLUG-IN |
![]() Data Sheet |
![]()
|
|
||||||||||||
| Image | Part No | Mfg | Description | ![]() |
Pricing (USD) |
Quantity | ||||||||||||
![]() |
![]() K2CU-F10A-C AC4-10A AC100 |
![]() Omron Industrial |
![]() Detector Switches Heater Fault Detector |
![]() Data Sheet |
![]()
|
|
||||||||||||
![]() |
![]() K2CU-F10A-CGS |
![]() Omron Industrial |
![]() Detector Switches Heater Fault Detector |
![]() Data Sheet |
![]()
|
|
||||||||||||
![]() |
![]() K2CU-F10A-D AC110 |
![]() Omron Industrial |
![]() Detector Switches Heater Fault Detector |
![]() Data Sheet |
![]()
|
|
||||||||||||
![]() |
![]() K2CU-F10A-DGS |
![]() |
![]() DETECTOR ELEMENT BURNOUT XFORMER |
![]() Data Sheet |
![]()
|
|
||||||||||||
![]() |
![]() K2CU-F10A-E-AC4-10A-AC200 |
![]() Omron Industrial |
![]() Detector Switches Heater Fault Detector |
![]() Data Sheet |
![]()
|
|
||||||||||||
![]() |
![]() K2CU-F10A-EGS |
![]() Omron Industrial |
![]() Detector Switches Heater Fault Detector |
![]() Data Sheet |
![]()
|
|
||||||||||||
(China (Mainland))









