Product Summary
The G9SA-501 is a Safety Relay Unit.
Parametrics
G9SA-501 absolute maximum ratings: (1)Kontaktwiderstand (siehe Hinweis 1): 100 mΩ; (2)Ansprechzeit: max. 30 ms (ohne Prellzeit); (3)Abfallzeit (siehe Hinweis 2): max. 10 ms (ohne Prellzeit); (4)Isolationswiderstand (siehe Hinweis 3): min. 100 MΩ (bei 500 VDC); (5)Prüf– spannung Zwischen unterschiedlichen Ausgängen: 2.500 VAC, 50/60 Hz für 1 Minute; (6)Vibrationsfestigkeit: 10 bis 55 Hz, 0,75-mm Doppelamplitude; (7)Fehlerrate (P-Level)(Bezugswert): 5 VDC, 1 mA; (8)Klemmen–Anzugsdrehmoment: 0,98 Nm; (9)Gewicht: ca. 210 g.
Features
G9SA-501 features: (1)Vier verschiedene Baugruppen mit einer Baubreite von jeweils 45 mm sind verfügbar: Ein 3-kanaliges Modell, ein 5-kanaliges Modell, Modelle mit drei Kan len und 2 Ausschaltverz gerungs– Kan len sowie als Zweihand–Steuerung.; (2)Einfache Erweiterungsanschlüsse.; (3)Ausschaltverz gerungs–Modelle verfügen über drei Zeitbereiche mit 15 Einstellm glichkeiten.; (4)Entspricht den EN–Richtlinien.; (5)Modelle ohne Ausschaltverz gerung einsetzbar bis zur Steuerungskategorie 4 nach EN954–1.; (6)Zulassungen: UL, CSA, BG (beantragt).; (7)Für DIN–Schienenmontage und Montageplatte geeignet.
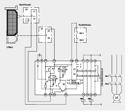
Diagrams

| Image | Part No | Mfg | Description | ![]() |
Pricing (USD) |
Quantity | ||||||||||
|---|---|---|---|---|---|---|---|---|---|---|---|---|---|---|---|---|
![]() |
![]() G9SA-501 |
![]() Omron Electronics |
![]() Safety Relays 24AC/DC 5PST-NO MAIN EMERGENCY STOP |
![]() Data Sheet |
![]() Negotiable |
|
||||||||||
![]() |
![]() G9SA-501 AC/DC24 |
![]() Omron Electronics |
![]() Safety Relays SLIM SAFE RELAY, 5P-NO |
![]() Data Sheet |
![]()
|
|
||||||||||
![]() |
![]() G9SA-501 AC100-240 |
![]() Omron Electronics |
![]() Safety Relays 5 Pole Safety Relay Unit |
![]() Data Sheet |
![]()
|
|
||||||||||
(China (Mainland))










