Product Summary
The G3R-OA202SZN is a Compact SSR for I/O Interface with High Dielectric Strength Requirements.
Parametrics
G3R-OA202SZN absolute maximum ratings: (1)Rated output load: 2 A at 100 to 240 VAC, 50/60 HZ; (2)Rated input voltage: 5 to 24 VDC; (3)Operating voltage: 4 to 32 VDC; (4)Input current: 15 mA max. (at 25℃); (5)Must operate voltage: 4 VDC max.; (6)Must release voltage: 1 VDC min.; (7)Load voltage range: 75 to 264 VAC; (8)Load current: 0.05 to 2 A; (9)Inrush current: 30 A (60 Hz, 1 cycle).
Features
G3R-OA202SZN features: (1)High-speed models with optimum input ratings for a variety of sensors are available; (2)Input Modules and Output Modules that have the same form-factor as the G2R; (3)Using a coupler approved by VDE 0884 and assuring an I/O dielectric strength of 4 kV; (4)Incorporating an easy-to-see monitoring indicator; (5)Approved by UL, CSA, and TUV ("-UT" models).
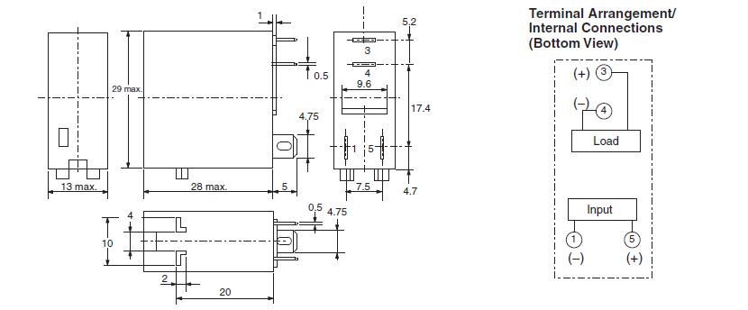
Diagrams

| Image | Part No | Mfg | Description | ![]() |
Pricing (USD) |
Quantity | ||||||||||||
|---|---|---|---|---|---|---|---|---|---|---|---|---|---|---|---|---|---|---|
![]() |
![]() G3R-OA202SZN DC5-24 |
![]() Omron Industrial |
![]() Solid State Relays MODULE I/O AC OUT QC TERM |
![]() Data Sheet |
![]()
|
|
||||||||||||
![]() |
![]() G3R-OA202SZN-UTU DC5-24 |
![]() Omron Industrial |
![]() Solid State Relays PHOTOTRIAC W/IND ZERO CRS FTN 5-24VDC |
![]() Data Sheet |
![]()
|
|
||||||||||||
(China (Mainland))









