Product Summary
The TDA7492P is a dual BTL class-D audio amplifier with single power supply, designed for LCD TVs and monitors. Thanks to the high efficiency and exposed-pad-down (EPD) package no heatsink is required.
Parametrics
TDA7492P absolute maximum ratings: (1)VCCMAX DC supply voltage for pins PVCCA, PVCCB, SVCC: 30 V; (2)VI, Voltage limits for input pins STANDBY, MUTE, INNA, INPA, INNB, INPB, GAIN0, GAIN1: -0.3 to 3.6 V; (3)Top Operating temperature: -40 to 85℃; (4)Tj Junction temperature: -40 to 150℃; (5)Tstg Storage temperature: -40 to 150℃.
Features
TDA7492P features: (1)25 W + 25 W continuous output power at THD = 10% with VCC = 20 V and RL = 8 Ω; (2)Wide-range single-supply operation (8 - 26 V); (3)High efficiency (η = 90%); (4)Four selectable, fixed gain settings of nominally 21.6 dB, 27.6 dB, 31.1 dB and 33.6 dB; (5)Differential inputs minimize common-mode noise; (6)Standby and mute features; (7)Short-circuit protection; (8)Thermal overload protection; (9)Externally synchronizable; (10)ECOPACK, environmentally-friendly package.
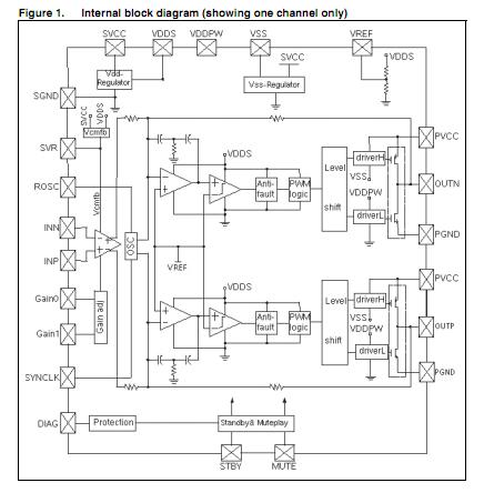
Diagrams

| Image | Part No | Mfg | Description | ![]() |
Pricing (USD) |
Quantity | ||||||||||||
|---|---|---|---|---|---|---|---|---|---|---|---|---|---|---|---|---|---|---|
![]() |
![]() TDA7492P |
![]() STMicroelectronics |
![]() Audio Amplifiers 50W Mono BTL Class D 10 to 26V 4Select dB |
![]() Data Sheet |
![]()
|
|
||||||||||||
![]() |
![]() TDA7492P13TR |
![]() STMicroelectronics |
![]() Audio Amplifiers 50W Mono BTL Class D 10 to 26V 4Select dB |
![]() Data Sheet |
![]()
|
|
||||||||||||
(China (Mainland))









