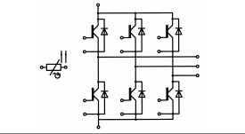
Product Summary
The SKIIP25AC126V1 is a 3-phase bridge rectifier. It is suitable for inverter up to 28kVA, typical motor power 15kW.
Parametrics
SKIIP25AC126V1 absolute maximum ratings: (1)VCES: 1200V; (2)IC: 73A; (3)ICRM: 100A; (3)VGES: ±20V; (4)Tj: -40 to 150℃.
Features
SKIIP25AC126V1 features: (1)fast trench IGBTs; (2)Robust and soft freewheeling diodes in CAL technology; (3)highly reliable spring contacts for electrical connections; (4)UL recognised file no E63532.
Diagrams

(China (Mainland))






