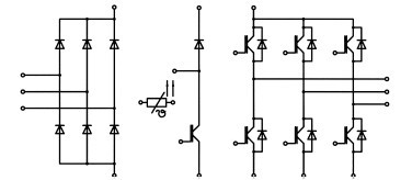
Product Summary
The SKIIP11NEB063T22 is a 3-phase bridge rectifier, brake chopper and 3-phase bridge inverter. The applications of the SKIIP11NEB063T22 include: inverter up to 8KVA, typical motor power 4KW.
Parametrics
SKIIP11NEB063T22 absolute maximum ratings: (1)VCES: 1200V; (2)On the conditions of Ts=25(70)℃, IC: 16(15)A; (3)On the conditions of tp≤1ms,ICRM: 16A; (4)VGES: ±20V; (5)Tj: -40~+150℃; (6)If: 14(11)A; (7)On the conditions of Ts=70℃, IFRM: 30A; (8)VRRM: 1600V; (9)On the conditions of tp=10ms, sin 180°, Tj=25℃, i2t: 240A2s; (10)Itrms: 20A; (11)Tstg: -40 to 125℃; (12)Visol: 2500V.
Features
SKIIP11NEB063T22 features: (1)Fast trench IGBTs; (2)Robust and soft freewheeling diodes in CAL technology; (3)Highly reliable spring contacts for electrical connections; (4)UL recognised file no. E63532.
Diagrams

(China (Mainland))






