Product Summary
The MG800J2YS50A is an IGBT module.
Parametrics
MG800J2YS50A absolute maximum ratings: (1)Collector-emitter voltage, VCES: 600 V; (2)Gate-emitter voltage, VGES: ±20 V; (3)Collector current DC, IC: 800 A; (4)Forward current DC, IF: 800 A; (5)Collector power dissipation (Tc = 25℃), PC: 2900 W; (6)Junction temperature, Tj: 150℃; (7)Storage temperature range, Tstg: -40 to 125℃; (8)Isolation voltage, VIsol: 2500 (AC 1 min)V.
Features
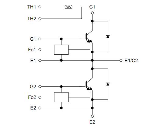
MG800J2YS50A features: (1)The electrodes are isolated from case; (2)Enhancement-mode; (3)Thermal output terminal (TH).
Diagrams

| Image | Part No | Mfg | Description | ![]() |
Pricing (USD) |
Quantity | ||||||
|---|---|---|---|---|---|---|---|---|---|---|---|---|
![]() |
![]() MG800J2YS50A |
![]() |
![]() IGBT MOD CMPCT 600V 800A |
![]() Data Sheet |
![]()
|
|
||||||
| Image | Part No | Mfg | Description | ![]() |
Pricing (USD) |
Quantity | ||||||
![]() |
![]() MG800J2YS50A |
![]() |
![]() IGBT MOD CMPCT 600V 800A |
![]() Data Sheet |
![]()
|
|
||||||
(China (Mainland))









