Product Summary
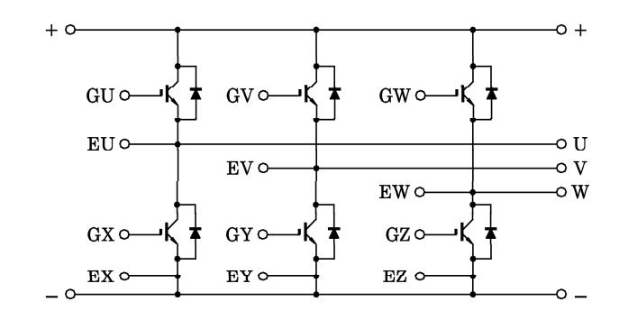
The MG75J6ES53 is an N channel IGBT.
Parametrics
MG75J6ES53 absolute maximum ratings: (1)Collector-emitter voltage, VCES: 600V; (2)Gate-emitter voltage, VGES: ±20V; (3)Collector current, DC, IC: 75A; 1ms, ICP: 150A; (4)Forward current, DC, IF: 75A; 1ms, IFM: 150A; (5)Collector power dissipation (Tc= 25℃), PC: 390W; (6)Junction temperature, Tj: 150℃; (7)Storage temperature range, Tstg: -40 to 125℃; (8)Isolation voltage, Visol: 2500 (AC 1 min)V; (9)Screw torque: 2/3 N·m.
Features
MG75J6ES53 features: (1)The electrodes are isolated from case; (2)High input impedance; (3)6 IGBTs bulit into one package; (4)Enhancement-mode; (5)High speed: tf=0.30μs; trr=0.15μs; (6)Low saturation voltage: VCE(sat)=2.7V.
Diagrams

(China (Mainland))






