Product Summary
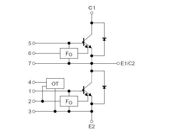
The MG600J2YS59 is a toshiba IGBT module.
Parametrics
MG600J2YS59 absolute maximum ratings: (1)Collector-emitter voltage VCES: 600 V; (2)Gate-emitter voltage VGES: ±20 V; (3)Collector power dissipation (Tc= 25℃) PC: 2770 W; (4)Control voltage (OT) VD: 20 V; (5)Control Fault input voltage VFO: 20 V; (6)Fault input current IFO: 20 mA; (7)Junction temperature Tj: 150℃; (8)Storage temperature range Tstg: -40~125℃; (9)Operation temperature range Tope :-20~100℃; (10)Isolation voltage Visol: 2500 (AC 1 min) V.
Features
MG600J2YS59 features: (1)Integrates a complete half bridge power circuit and fault-signal output circuit in one package. (short circuit and over temperature); (2)The electrodes are isolated from case.; (3)Low thermal resistance; (4)VCE (sat) = 2.1 V (typ.).
Diagrams

(China (Mainland))






