Product Summary
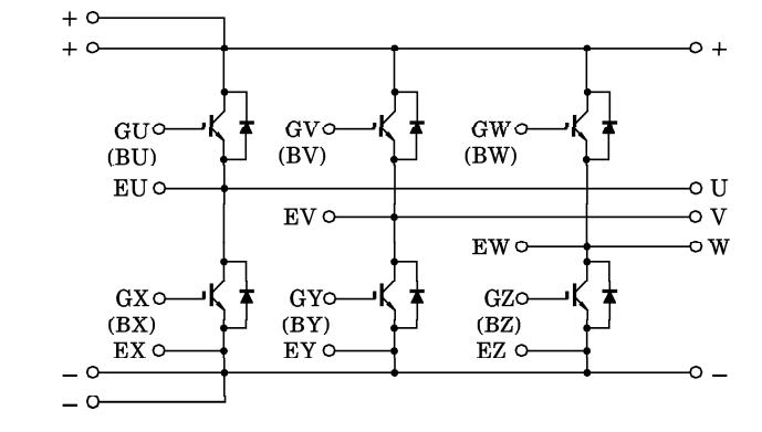
The MG30J6ES11 is an N channel IGBT module.
Parametrics
MG30J6ES11 absolute maximum ratings: (1)Collector-emitter voltage, VCES: 600V; (2)Gate-emitter voltage, VGES: ±20V; (3)Collector current, DC, IC: 30A; 1ms, ICP: 60A; (4)Forward current, DC, IF: 30A; 1ms, IFM: 60A; (5)Collector power dissipation, PC: 100W; (6)Junction temperature, Tj: 150℃; (7)Storage temperature range, Tstg: -40 to 125℃; (8)Isolation voltage, Visol: 2500V.
Features
MG30J6ES11 features: (1)The electrodes are isolated from case; (2)High input impedance; (3)6 IGBTs built into 1 package; (4)Enhancement-mode; (5)High speed: tf=0.36μs(max), trr=0.15μs(max); (6)Low saturation voltage: VCE(sat)=2.7V.
Diagrams

(China (Mainland))






