Product Summary
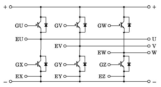
The MG100J6ES40 is a GTR module.
Parametrics
MG100J6ES40 absolute maximum ratings: (1)collector-emitter voltage, VCES: 600V; (2)gate-emitter voltage, VGES: ±20V; (3)collector current: DC, IC: 100A; 1ms, ICP: 200A; (4)forward current: DC, IF: 100A; 1ms, IFM: 200A; (5)collector power dissipation ( TC=25℃), PC: 450W; (6)junction temperature, Tj: 150℃; (7)storage temperature range, Tstg: -40~125℃; (8)isolation voltage, VIsol: 2500 (AC 1min) V; (9)screw torque (Terminal/Mounting): 2/3 N·m.
Features
MG100J6ES40 features: (1)the electrodes are isolated from case; (2)high input impedance; (3)6 IGBTs built into 1 package; (4)enhancement-mode; (5)high speed; (6)low saturation voltage.
Diagrams

(China (Mainland))






