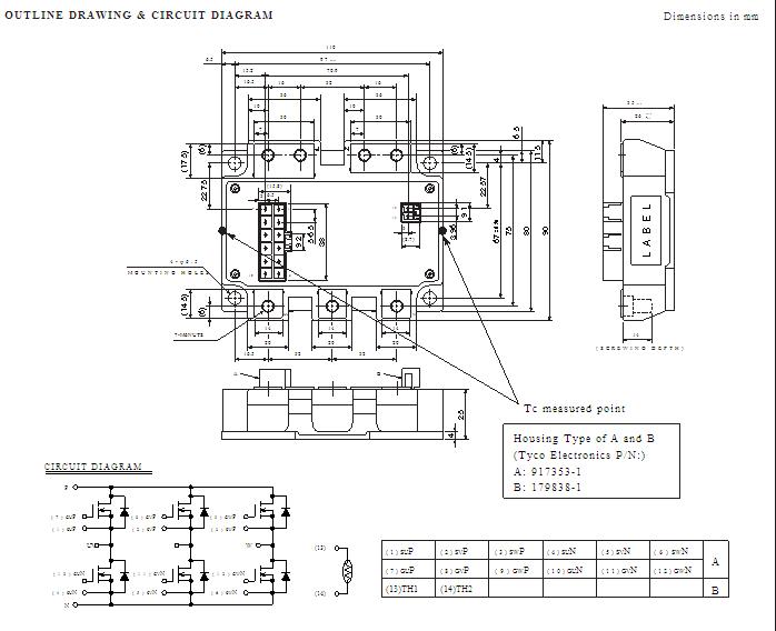
Product Summary
The FM600TU-02A is a 6-Pack High Power MOSFET Module for high power switching use with insulated package.
Parametrics
FM600TU-02A absolute maximum ratings: (1)Drain-source voltage: 75V; (2)Gate-source voltage: ±20V; (3)Avalanche current: 300A; (4)Channel temperature: -40 ~ +150℃; (5)Storage temperature: –40 ~ +125℃; (6)Isolation voltage: 2500V.
Features
FM600TU-02A features: (1)ID(rms): 300A; (2)VDSS: 75V; (3)Insulated Type; (4)6-elements in a pack; (5)Thermistor inside; (6)UL Recognized.
Diagrams

(China (Mainland))






