Product Summary
The CM60YE2P-12F is a Mitsubishi IGBT Module. It consists of one IGBT in a single configuration with a reverse-connected super-fast recovery free-wheel diode. It is suitable for AC Motor Control, Motion/Servo Control, UPS and Welding Power Supplies.
Parametrics
CM60YE2P-12F absolute maximum ratings: (1)Junction Temperature, Tj: -40 to 150 ℃; (2)Storage Temperature, Tstg: -40 to 125 ℃; (3)Collector-Emitter Voltage (G-E SHORT), VCES: 1200 Volts; (4)Gate-Emitter Voltage (C-E SHORT), VGES: ±20 Volts; (5)Collector Current (Tc = 25℃), IC: 60 Amperes; (6)Peak Collector Current (Tj ≤ 150℃), ICM: 120 Amperes; (7)Emitter Current (Tc = 25℃), IE: 60 Amperes; (8)Peak Emitter Current, IEM: 120 Amperes; (9)Maximum Collector Dissipation (Tc = 25℃), Pc: 410 Watts.
Features
CM60YE2P-12F features: (1)Low Drive Power; (2)Low VCE(sat); (3)Discrete Super-Fast Recovery Free-Wheel Diode; (4)High Frequency Operation; (5)Isolated Baseplate for Easy Heat Sinking.
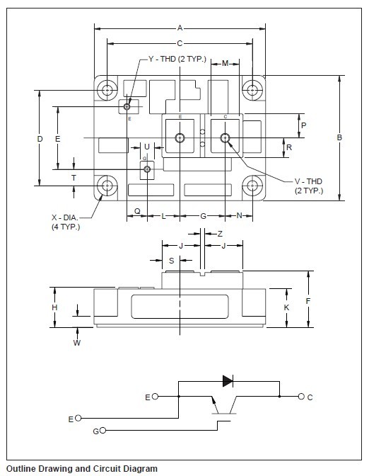
Diagrams

(China (Mainland))






