Product Summary
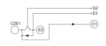
The CM50E3U-24H is a Powerex Chopper IGBTMOD Module designed for use in switching applications. The CM50E3U-24H consists of one IGBT Transistor having a reverse-connected super-fast recovery free-wheel diode and an anode-collector connected super- fast recovery free-wheel diode. All components and interconnects are isolated from the heat sinking base-plate, offering simplified system assembly and thermal management. The applicaitons of the CM50E3U-24H are DC Motor Control and Boost Regulator.
Parametrics
CM50E3U-24H absolute maximum ratings: (1)Junction Temperature Tj: -40 to 150℃; (2)Storage Temperature Tstg: -40 to 125℃; (3)Collector-Emitter Voltage (G-E SHORT) VCES: 1200 Volts; (4)Gate-Emitter Voltage (C-E SHORT) VGES: 20 Volts; (5)Collector Current (Tc = 25℃) IC: 50 Amperes; (6)Peak Collector Current ICM: 100 Amperes; (7)Emitter Current (Tc = 25℃) IE: 50 Amperes; (8)Peak Emitter Current IEM: 100 Amperes; (9)Maximum Collector Dissipation (Tc = 25℃, Tj≤ 150℃) Pc: 400 Watts; (10)Mounting Torque, M5 Main Terminal: 31 in-lb; (11)Mounting Torque, M6 Mounting: 40 in-lb; (12)Weight: 310 Grams; (13)Isolation Voltage (Main Terminal to Baseplate, AC 1 min.) Viso: 2500 Volts.
Features
CM50E3U-24H features: (1)Low Drive Power; (2)Low VCE(sat); (3)Discrete Super-Fast Recovery Free-Wheel Diode; (4)High Frequency Operation (15-20kHz); (5)Isolated Baseplate for Easy Heat Sinking.
Diagrams

| Image | Part No | Mfg | Description | ![]() |
Pricing (USD) |
Quantity | ||||||
|---|---|---|---|---|---|---|---|---|---|---|---|---|
![]() |
![]() CM50E3U-24H |
![]() |
![]() IGBT MOD CHOP 1200V 50A U SER |
![]() Data Sheet |
![]()
|
|
||||||
| Image | Part No | Mfg | Description | ![]() |
Pricing (USD) |
Quantity | ||||||
![]() |
![]() CM500 |
![]() Megger |
![]() Test Accessories - Other Installation Tester |
![]() Data Sheet |
![]() Negotiable |
|
||||||
![]() |
![]() CM5000 |
![]() Other |
![]() |
![]() Data Sheet |
![]() Negotiable |
|
||||||
![]() |
![]() CM5001 |
![]() Other |
![]() |
![]() Data Sheet |
![]() Negotiable |
|
||||||
![]() |
![]() CM50010 |
![]() Other |
![]() |
![]() Data Sheet |
![]() Negotiable |
|
||||||
![]() |
![]() CM5002 |
![]() Other |
![]() |
![]() Data Sheet |
![]() Negotiable |
|
||||||
![]() |
![]() CM5003 |
![]() Other |
![]() |
![]() Data Sheet |
![]() Negotiable |
|
||||||
(China (Mainland))









