Product Summary
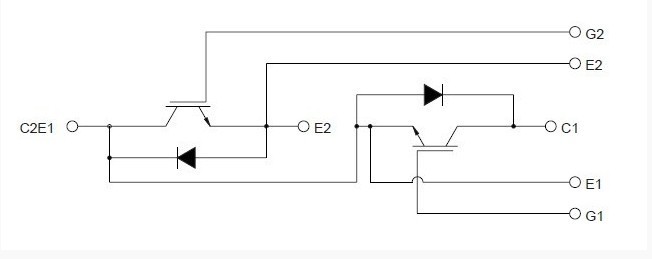
The CM50DY-12E is a Mitsubishi IGBT module. Each module consists of two IGBTs in a half-bridge configuration with each transistor having a reverse-connected super-fast recovery free-wheel diode. All components and interconnects of the CM50DY-12E are isolated from the heat sinking baseplate, offering simplified system assembly and thermal management.
Parametrics
CM50DY-12E absolute maximum ratings: (1)Junction Temperature Tj: -40 to 150 ℃; (2)Storage Temperature Tstg: -40 to 125 ℃; (3)Collector-Emitter Voltage (G-E SHORT) VCES: 600 Volts; (4)Gate-Emitter Voltage (C-E SHORT) VGES: ±20 Volts; (5)Collector Current (Tc = 25℃) IC: 50 Amperes; (6)Peak Collector Current (Tj ≤ 150℃) ICM: 100 Amperes; (7)Emitter Current, (Tc = 25℃) IE: 50 Amperes; (8)Peak Emitter Current, IEM: 100 Amperes; (9)Maximum Collector Dissipation (Tc = 25℃) Pc: 250 Watts; (10)Mounting Torque, M5 Main Terminal: 1.47 to 1.96 N.m; (11)Mounting Torque, M6 Mounting: 1.96 to 2.94 N.m; (12)Weight: 190 Grams; (13)Isolation Voltage (Main Terminal to Baseplate, AC 1 min.) Viso: 2500 Vrms.
Features
CM50DY-12E features: (1)Low Drive Power; (2)Low VCE(sat); (3)Discrete Super-Fast Recovery Free-Wheel Diode; (4)High Frequency Operation; (5)Isolated Baseplate for Easy Heat Sinking.
Diagrams

(China (Mainland))






