Product Summary
The CM450DY-24S is a high power switching use insulated type module. The applications of the CM450DY-24S include AC Motor Control, Motion/Servo Control, Power supply, etc.
Parametrics
CM450DY-24S absolute maximum ratings: (1)VCES, Collector-emitter voltage G-E short-circuited: 1200 V; (2)VGES, Gate-emitter voltage C-E short-circuited: ±20 V; (3)Collector current, IC: 410A; ICRM: 900A; (4)Ptot, Total power dissipation: 3330W; (5)Emitter current, IE: 410A; IERM: 900A; (6)Visol, Isolation voltage Terminals to base plate, RMS, f=60 Hz, AC 1 min: 2500V; (7)Tjmax, Maximum junction temperature: 175℃; (8)Tcmax, Maximum case temperature: 125℃; (9)Tjopr, Operating junction temperature: -40 to +150℃; (10)Tstg, Storage temperature: -40 to +125℃.
Features
CM450DY-24S features: (1)Collector current, IC: 410 A; (2)Collector-emitter voltage, VCES: 1200 V; (3)Maximum junction temperature, Tjmax: 175℃; (4)Flat base Type; (5)Copper base plate; (6)RoHS Directive compliance; (7)UL Recognized under UL1557, File E323585.
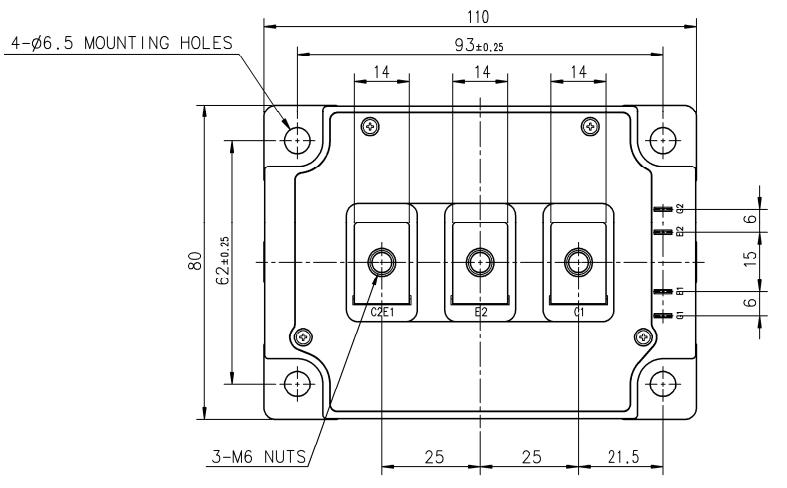
Diagrams

(China (Mainland))






