Product Summary
The CM300E3U-12H is a high power switching use insulated type module. The application of the CM300E3U-12H includes Brake.
Parametrics
CM300E3U-12H absolute maximum ratings: (1)Junction Temperature, Tj: -40 to 150℃; (2)Storage Temperature, Tstg: -40 to 125℃; (3)Collector-Emitter Voltage (G-E SHORT), VCES 600 Volts; (4)Gate-Emitter Voltage (C-E SHORT), VGES ±20 Volts; (5)Collector Current (Tc = 25℃), IC: 300 Ampere; (6)Peak Collector Current (Tj ≤ 150℃), ICM: 600 Ampere; (7)Emitter Current (Tc = 25℃), IE: 300 Ampere; (8)Peak Emitter Current, IEM: 600 Ampere; (9)Maximum Collector Dissipation (Tc = 25℃, Tj ≤ 150℃), Pc: 890 Watts; (10)Mounting Torque, M6 Main Terminal: 3.5 to 4.5 N·m; (11)Mounting Torque, M6 Mounting: 3.5 to 4.5 N·m; (12)Weight: 400 Grams; (13)Isolation Voltage (Main Terminal to Baseplate, AC 1 min.), Viso: 2500 Vrms.
Features
CM300E3U-12H features: (1)Low Drive Power; (2)Low VCE(sat); (3)Discrete Super-Fast Recovery; (4)Free-Wheel Diode; (5)High Frequency Operation; (6)Isolated Baseplate for Easy; (7)Heat Sinking.
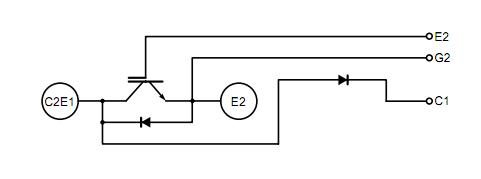
Diagrams

| Image | Part No | Mfg | Description | ![]() |
Pricing (USD) |
Quantity | ||||||
|---|---|---|---|---|---|---|---|---|---|---|---|---|
![]() |
![]() CM300E3U-12H |
![]() |
![]() IGBT MOD CHOP 600V 300A U SER |
![]() Data Sheet |
![]()
|
|
||||||
| Image | Part No | Mfg | Description | ![]() |
Pricing (USD) |
Quantity | ||||||
![]() |
![]() CM3002 |
![]() Other |
![]() |
![]() Data Sheet |
![]() Negotiable |
|
||||||
![]() |
![]() CM300DU-12F |
![]() |
![]() IGBT MOD DUAL 600V 300A F SER |
![]() Data Sheet |
![]()
|
|
||||||
![]() |
![]() CM300DU-12H |
![]() |
![]() IGBT MOD DUAL 600V 300A U SER |
![]() Data Sheet |
![]()
|
|
||||||
![]() |
![]() CM300DU-12NFH |
![]() |
![]() IGBT MOD DUAL 600V 300A NFH SER |
![]() Data Sheet |
![]()
|
|
||||||
![]() |
![]() CM300DU-24F |
![]() |
![]() IGBT MOD DUAL 1200V 300A F SER |
![]() Data Sheet |
![]()
|
|
||||||
![]() |
![]() CM300DU-24H |
![]() |
![]() IGBT MOD DUAL 1200V 300A U SER |
![]() Data Sheet |
![]()
|
|
||||||
(China (Mainland))









