Product Summary
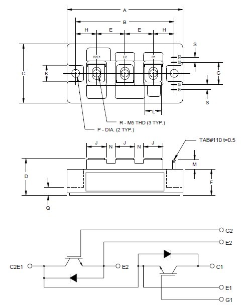
The CM200DY-12NFH is a high power switching IGBT module. It is designed for use in switching applications. The CM200DY-12NF consists of two IGBTs in a half-bridge configuration with each transistor having a reverse-connected super-fast recovery free-wheel diode. All components and interconnects are isolated from the heat sinking baseplate, offering simplified system assembly and thermal management. The applications of the CM200DY-12NF include: AC Motor Control, Motion/Servo Control, UPS, Welding Power Supplies.
Parametrics
CM200DY-12NFH absolute maximim ratings: (1)Junction Temperature Tj: -40 to 150 ℃; (2)Storage Temperature Tstg: -40 to 125 ℃; (3)Collector-Emitter Voltage (G-E SHORT) VCES: 600 Volts; (4)Gate-Emitter Voltage (C-E SHORT) VGES: ±20 Volts; (5)Collector Current (Tc = 25℃) IC: 200 Amperes; (6)Peak Collector Current (Tj ≤ 150℃) ICM: 400 Amperes; (7)Emitter Current (Tc = 25℃) IE: 200 Amperes; (8)Peak Emitter Current IEM: 400 Amperes; (9)Maximum Collector Dissipation (Tc = 25℃) Pc: 780 Watts.
Features
CM200DY-12NFH features: (1)Low Drive Power; (2)Low VCE(sat); (3)Discrete Super-Fast Recovery Free-Wheel Diode; (4)High Frequency Operation; (5)Isolated Baseplate for Easy Heat Sinking.
Diagrams

(China (Mainland))






