Product Summary
The BSM150GB100DN11 is an IGBT Power Module.
Parametrics
BSM150GB100DN11 absolute maximum ratings: (1)Collector-emitter voltage VCE: 1200 V; (2)Collector-gate voltage, VCGR: 1200 V; (3)Gate-emitter voltage VGE: ± 20V; (4)DC collector current, IC: 210A;(5)Pulsed collector current, tp = 1 ms, ICpuls: 420A; (6)Pwer dissipation per IGBT: 1400W; (7)Chip temperature Tj: + 150 ℃; (8)Storage temperature Tstg: -55 to + 150℃; (9)Thermal resistance, chip case RthJC≤ 0.09 K/W; (10)Diode thermal resistance, chip case RthJCD≤ 0.18K/W; (11)Insulation test voltage, t = 1min. Vis: 2500 Vac; (12)Creepage distance: 20 mm; (13)Clearance: 11mm; (14)DIN humidity category, DIN 40 040: F sec.
Features
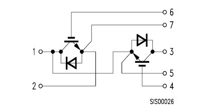
BSM150GB100DN11 features: (1)Half-bridge; (2)Including fast free-wheeling diodes; (3)Package with insulated metal base plate.
Diagrams

(China (Mainland))






