Product Summary
The 6MBI300U-170 is an IGBT Module. The applications of the 6MBI300U-170 include Inverter for Motor drive, AC and DC Servo drive amplifier, Uninterruptible power supply, Industrial machines, such as Welding machines.
Parametrics
6MBI300U-170 absolute maximum ratings: (1)Collector-Emitter voltage, VGES: 1200 V; (2)Gate-Emitter voltage, VGES: ±20V; (3)Collector current, IC, Continuous, Tc=25℃: 450A; Tc=80℃: 300A; Icp, 1ms, Tc=25℃: 900A; Tc=80℃: 600A; -Ic: 300A; -Ic pulse, 1ms: 600A; ; (4)Collector Power Dissipation, Pc, 1 device: 1385W; (5)Junction temperature, Tj: 150℃; (6)Storage temperature, Tstg: -40 to 125℃.
Features
6MBI300U-170 features: (1)High speed switching; (2)Voltage drive; (3)Low inductance module structure.
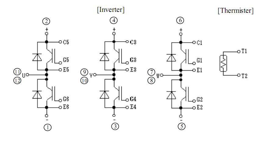
Diagrams

(China (Mainland))






