Product Summary
The 2MBI100N-120 is an IGBT module. Its applications include Inverter for Motor drive, AC and DC servo drive amplifier, Uninterruptible power supply, Industrial machines, such as welding machines.
Parametrics
2MBI100N-120 absolute maximum ratings: (1)Collctor-emitter voltage, VCES: 1200V; (2)Gate-emitter voltage: ±20V; (3)Collector current: 100A; (4)Power dissipation: 780W; (5)Operating temperature: 150℃.
Features
2MBI100N-120 features: (1)High speed switching; (2)Voltage drive; (3)Low inductance module structure.
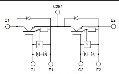
Diagrams

(China (Mainland))






