Product Summary
The H3CR-F8N-300 is a solid-state twin timer.
Parametrics
H3CR-F8N-300 absolute maximum ratings: (1)Rated supply voltage: 100 to 240 VAC (50/60 Hz),12 VDC, 24 VAC/DC (50/60 Hz), 48 to 125 VDC; (2)Operating voltage range: 85% to 110% of rated supply voltage; 90% to 110% with 12-VDC models; (3)Power reset: Minimum power-opening time: 0.1 s; (4)Accuracy of operating time ±0.3% FS max. (±0.3% FS ±10 ms in ranges of 1.2 and 3 s); (5)Setting error ±5% FS ±0.05 s max.; (6)Power consumption: 100 to 240 VAC: approx. 10 VA; 12 VDC: approx. 1 W; 24 VAC/DC: approx. 2 VA (AC), approx. 1 W (DC); 48 to 125 VDC: approx. 1.5 W; (7)Control outputs Contact output: 5 A at 250 VAC, resistive load (cosf = 1).
Features
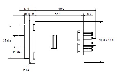
H3CR-F8N-300 features: (1)Wide power supply ranges of 100 to 240 VAC and 48 to 125 VDC respectively; (2)Independent ON- and OFF-time settings. Furthermore, combinations of long ON- or OFF-time and short OFF- or ON-time settings are possible; (3)Fourteen time ranges from 0.05 s to 30 h or from 1.2 s to 300 h depending on the model to be used; (4)Models with a flicker ON start or flicker OFF start are available; (5)Easy sequence checks through instantaneous outputs for a zero set value at any time range ; (6)Only 80 mm long when panel-mounted with a socket; (7)11-pin and 8-pin models are available.
Diagrams

| Image | Part No | Mfg | Description | ![]() |
Pricing (USD) |
Quantity | ||||||||||||
|---|---|---|---|---|---|---|---|---|---|---|---|---|---|---|---|---|---|---|
![]() |
![]() H3CR-F8N-300 AC/DC24 |
![]() |
![]() TIMER SS REPEAT CYCLE 8PIN |
![]() Data Sheet |
![]()
|
|
||||||||||||
![]() |
![]() H3CR-F8N-300 AC100-240 |
![]() Omron Industrial |
![]() Controllers Timer Repeat Cycle |
![]() Data Sheet |
![]()
|
|
||||||||||||
![]() |
![]() H3CR-F8N-300 DC12 |
![]() Omron Industrial |
![]() Controllers Timer Repeat Cycle |
![]() Data Sheet |
![]()
|
|
||||||||||||
(China (Mainland))









