Product Summary
The H3AM-NS-A is a mechatronic analog timer.
Parametrics
H3AM-NS-A absolute maximum ratings: (1)Rated supply voltage: 100 to 240 VAC (50/60 Hz); (2)Operating voltage range: 85% to 110% of rated supply voltage; (3)Power reset (-NS) Minimum power-opening time: 0.5 s; (4)Reset input time (-NSR) Minimum input time: 0.5 s; (5)Reset voltage range (-NSR) H level: 85 to 264 VAC; (6)Power consumption: Approx. 9 VA (Approx. 5 W); (7)Ambient humidity Operating: 35% to 85%.
Features
H3AM-NS-A features: (1)Incorporating an easy-to-see large setting dial with moving pointers; (2)Wide time-setting range of 0.2 s to 60 h (available through three time-range model types); (3)Wide AC power supply range (100 to 240 VAC); (4)IP65 watertight and dust-tight front panel; (5)Approved by UL and CSA; (6)Conforms to EN61812-1 and IEC60664-1 4 kV for Low Voltage, and EMC Directives; (7)Conforms to EMC standards; (8)Six-language instruction manual provided; (9)Programmable contact enables the building of a self-holding relay circuit as well as built-in instantaneous contact. (-NS); (10)?Memory retention (-NSR); (11)Finger protection terminal block; (12)Enables easy sequence checks through instantaneous outputs for a zero set value at any time range.
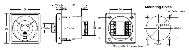
Diagrams

| Image | Part No | Mfg | Description | ![]() |
Pricing (USD) |
Quantity | ||||||
|---|---|---|---|---|---|---|---|---|---|---|---|---|
![]() |
![]() H3AM-NS-A-300 AC100-240 |
![]() |
![]() TIMER ANALOG W/WATERPRF GSKT |
![]() Data Sheet |
![]()
|
|
||||||
![]() |
![]() H3AM-NS-A AC100-240 |
![]() |
![]() ANALOG TIMER .5S-30H 100-240VAC |
![]() Data Sheet |
![]()
|
|
||||||
(China (Mainland))









