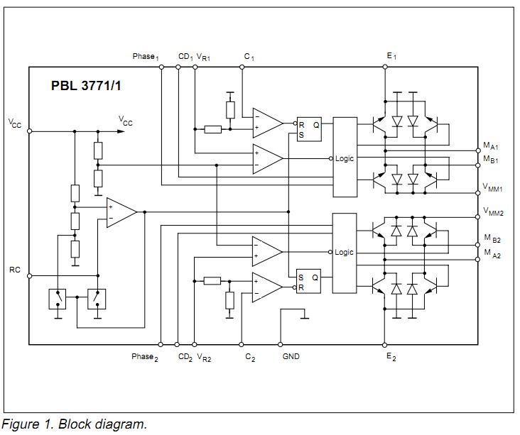
Product Summary
The PBL3771 is a switch-mode, constant-current driver IC (chopper) with two channels, one for each winding of a two-phase stepper motor. The PBL3771 is especially developed for use in microstepping applications in conjunction with the matching dual DAC (Digital-to-Analog Converter) PBM 3960. A complete driver system of the PBL3771 consists of these two ICs, a few passive components and a microprocessor for generation of the proper control and data codes required for microstepping.
Parametrics
PBL3771 absolute maximum ratings: (1)Logic supply voltage, VCC: 0 to 7V; (2)Motor supply voltage, VMM: 0 to 45V; (3)Logic inputs voltage, VI: -0.3 to 6 V; (4)Comparator inputs voltage, VC: -0.3V to VCC; (5)Reference inputs voltage, VR: -0.3 to 7.5 V; (6)Motor output current, IM: -700 to +700 mA; (7)Logic inputs current,II: -10 mA; (8)Analog inputs current, IA: -10 mA; (9)Oscillator charging current, IRC: 5mA; (10)Operating junction temperature, TJ: -40 to +150℃; (11)Storage temperature, T: -55 to +150℃.
Features
PBL3771 features: (1)Dual chopper driver in a single package; (2)650 mA output current per channel; (3)Close matching between channels for high microstepping accuracy; (4)Selectable slow/fast current decay for improved high-speed microstepping; (5)Improved low-level linearity; (6)Specially matched to Dual DAC PBM 3960; (7)Selection of packages, 22-pin batwing DIP, 24 pin batwing SOIC; (8)or 28-lead PLCC with lead-frame for heat-sinking through PC board copper.
Diagrams

| Image | Part No | Mfg | Description | ![]() |
Pricing (USD) |
Quantity | ||||
|---|---|---|---|---|---|---|---|---|---|---|
![]() |
![]() PBL3771/1 |
![]() Other |
![]() |
![]() Data Sheet |
![]() Negotiable |
|
||||
![]() |
![]() PBL3771 |
![]() Other |
![]() |
![]() Data Sheet |
![]() Negotiable |
|
||||
(China (Mainland))









