Product Summary
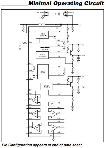
The MAX1518BE is a TFT-LCD DC-DC Converter with Operational Amplifiers. The MAX1518BE includes a high-performance step-up regulator, two linear-regulator controllers, and high-current operational amplifiers for active-matrix, thin-film transistor (TFT), liquid-crystal displays (LCDs). Also included is a logic-controlled, high-voltage switch with adjustable delay. The applications of the MAX1518BE include Notebook Computer Displays, LCD Monitor Panels and Automotive Displays.
Parametrics
MAX1518BE absolute maximum ratings: (1)IN, CTL to AGND: -0.3V to +7V; (2)COMP, FB, FBP, FBN, DEL, REF to AGND: -0.3V to (VIN + 0.3V); (3)PGND, BGND to AGND: ±0.3V; (4)LX to PGND: -0.3V to +14V; (5)SUP to AGND: -0.3V to +14V; (6)DRVP, SRC to AGND: -0.3V to +30V; (7)POS_, NEG_, OUT_ to AGND: -0.3V to (VSUP + 0.3V); (8)DRVN to AGND: (VIN - 30V) to (VIN + 0.3V); (9)DRN to AGND: -0.3V to (VSRC + 0.3V); (10)DRN to COM: -30V to +30V; (11)OUT_ Maximum Continuous Output Current: ±75mA; (12)LX Switch Maximum Continuous RMS Output Current: 1.6A; (13)Continuous Power Dissipation: 1702mW; (14)Operating Temperature Range: -40 to +100℃; (15)Junction Temperature: +150℃; (16)Storage Temperature Range: -65 to +150℃; (17)Lead Temperature (soldering, 10s): +300℃.
Features
MAX1518BE features: (1)2.6V to 6.5V Input Supply Range; (2)1.2MHz Current-Mode Step-Up Regulator; (3)Linear-Regulator Controllers for VGON and VGOFF; (4)High-Performance Operational Amplifiers; (5)Logic-Controlled, High-Voltage Switch with Adjustable Delay; (6)Timer-Delay Fault Latch for All Regulator Outputs; (7)Thermal-Overload Protection; (8)0.6mA Quiescent Current.
Diagrams

| Image | Part No | Mfg | Description | ![]() |
Pricing (USD) |
Quantity | ||||||||||
|---|---|---|---|---|---|---|---|---|---|---|---|---|---|---|---|---|
![]() |
![]() MAX1518BETJ+T |
![]() Maxim Integrated Products |
![]() LCD Drivers TFT-LCD DC-DC Conv w/Op Amps |
![]() Data Sheet |
![]()
|
|
||||||||||
![]() |
![]() MAX1518BETJ+ |
![]() Maxim Integrated Products |
![]() LCD Drivers TFT-LCD DC-DC Conv w/Op Amps |
![]() Data Sheet |
![]()
|
|
||||||||||
(China (Mainland))









