Product Summary
The HAS100-S is a Current Transducer.
Parametrics
HAS100-S absolute maximum ratings: 1)Vd, Rms voltage for AC isolation test, 50 Hz, 1 min: 3.6 kV; (2)Vw Impulse withstand voltage 1.2/50 μs: > 6.6 kV Min; (3)dCp Creepage distance: 7.08 mm; (4)dCI Clearance distance: 6.23 mm; (5)CTI Comparative Tracking Index (group IIIa): 275.
Features
HAS100-S features: (1)Hall effect measuring principle; (2)Galvanic isolation between primary and secondary circuit; (3)Isolation voltage 3000 V; (4)Low power consumption; (5)Extended measuring range (3 × IPN); (6)Insulated plastic case made of polycarbonate PBT recognized according to UL 94-V0.
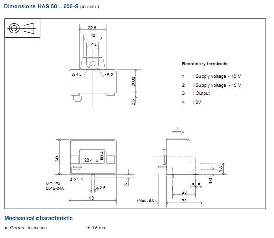
Diagrams

| Image | Part No | Mfg | Description | ![]() |
Pricing (USD) |
Quantity | ||||
|---|---|---|---|---|---|---|---|---|---|---|
![]() |
![]() HAS100-S |
![]() Other |
![]() |
![]() Data Sheet |
![]() Negotiable |
|
||||
![]() |
![]() HAS100-S/SP50 |
![]() Other |
![]() |
![]() Data Sheet |
![]() Negotiable |
|
||||
![]() |
![]() HAS100-S4V/100A |
![]() Other |
![]() |
![]() Data Sheet |
![]() Negotiable |
|
||||
(China (Mainland))









