Product Summary
The EPM3032ATI44-10N is a member of the Programmable Logic Device Family. It is a low–cost, high–performance device based on the Altera MAX architecture.
Parametrics
EPM3032ATI44-10N absolute maximum ratings: (1)VCC Supply voltage With respect to ground: –0.5 to 4.6 V; (2)VI DC input voltage: –2.0 to 5.75 V; (3)IOUT DC output current, per pin: –25 to 25 mA; (4)TSTG Storage temperature No bias: –65 to 150℃; (5)TA Ambient temperature Under bias: –65 to 135℃; (6)TJ Junction temperature PQFP and TQFP packages, under bias: 135℃.
Features
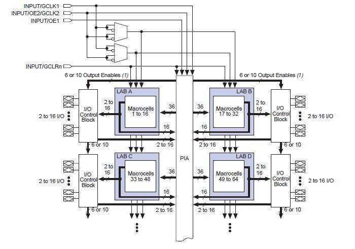
EPM3032ATI44-10N features: (1)High - performance, low.cost CMOS EEPROM - based programmable logic devices (PLDs) built on a MAX architecture; (2)3.3-V in-system programmability (ISP) through the built-in IEEE Std. 1149.1 Joint Test Action Group (JTAG) interface with advanced pin-locking capability - ISP circuitry compliant with IEEE Std. 1532; (3)Built - in boundary-scan test (BST) circuitry compliant with IEEE Std. 1149.1-1990; (4)High–density PLDs ranging from 600 to 10,000 usable gates; (5)4.5–ns pin–to–pin logic delays with counter frequencies of up to 227.3 MHz; (6)Hot–socketing support; (7)Programmable interconnect array (PIA) continuous routing structure for fast, predictable performance.
Diagrams

| Image | Part No | Mfg | Description | ![]() |
Pricing (USD) |
Quantity | ||||||
|---|---|---|---|---|---|---|---|---|---|---|---|---|
![]() |
![]() EPM3032ATI44-10N |
![]() |
![]() IC MAX 3000A CPLD 32 44-TQFP |
![]() Data Sheet |
![]()
|
|
||||||
| Image | Part No | Mfg | Description | ![]() |
Pricing (USD) |
Quantity | ||||||
![]() |
![]() EPM3 |
![]() Meterman |
![]() Test Accessories - Other COMBINATION PHASE & MOTOR ROT TESTER |
![]() Data Sheet |
![]() Negotiable |
|
||||||
![]() |
![]() EPM3032ALC44-10 |
![]() |
![]() IC MAX 3000A CPLD 32 44-PLCC |
![]() Data Sheet |
![]()
|
|
||||||
![]() |
![]() EPM3032ALC44-10N |
![]() |
![]() IC MAX 3000A CPLD 32 44-PLCC |
![]() Data Sheet |
![]()
|
|
||||||
![]() |
![]() EPM3032ALC44-4 |
![]() |
![]() IC MAX 3000A CPLD 32 44-PLCC |
![]() Data Sheet |
![]()
|
|
||||||
![]() |
![]() EPM3032ALC44-4N |
![]() |
![]() IC MAX 3000A CPLD 32 44-PLCC |
![]() Data Sheet |
![]()
|
|
||||||
![]() |
![]() EPM3032ALC44-7 |
![]() |
![]() IC MAX 3000A CPLD 32 44-PLCC |
![]() Data Sheet |
![]()
|
|
||||||
(China (Mainland))











