Product Summary
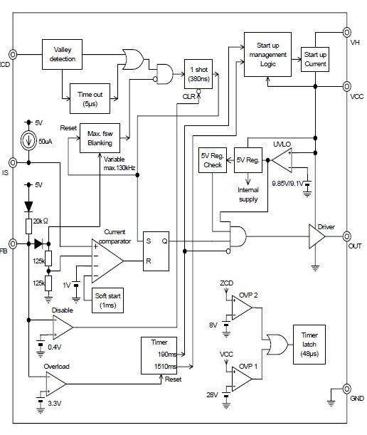
The 5531 is a quasi-resonant IC.
Parametrics
5531 specifications: (1)Input Range: 80Vac to 264Vac; (2)Output Rating: 95W ( 19V / 5A ).
Features
5531 features: (1)Internal start-up circuit with 500V rating and low frequency operation achieves 140mW input at no load; (2)Small Output Capacitance: Linearly reduced frequency for lighter load causes small ripple voltage; (3)Suitable for Low Noise and High Efficiency about 90%; (4)Vcc rating 28V allows no series regulator for auxiliary winding to clamp Vcc voltage for FA5531/32; (5)1ms Fixed Soft Start time; (6)Timer Latched Over-Voltage Protection of 16V/28V Vcc; (7)8 pins package ( DIP/SO ).
Diagrams

| Image | Part No | Mfg | Description | ![]() |
Pricing (USD) |
Quantity | ||||||||||||
|---|---|---|---|---|---|---|---|---|---|---|---|---|---|---|---|---|---|---|
![]() |
![]() 5531008 |
![]() Phoenix Contact |
![]() Circuit Breakers TMC 42-01-1.2A |
![]() Data Sheet |
![]()
|
|
||||||||||||
![]() |
![]() 5531-0-15-00-00-00-10-0 |
![]() Mill-Max |
![]() Circuit Board Hardware - PCB HEX PRESS FIT PIN RECPT |
![]() Data Sheet |
![]()
|
|
||||||||||||
![]() |
![]() 5531-0-15-80-21-27-10-0 |
![]() Mill-Max |
![]() Circuit Board Hardware - PCB 200u SN OVER NI 21 CON |
![]() Data Sheet |
![]()
|
|
||||||||||||
![]() |
![]() 5531-0-15-80-21-84-10-0 |
![]() Mill-Max |
![]() Circuit Board Hardware - PCB 200u SN OVER NI 21 CON |
![]() Data Sheet |
![]()
|
|
||||||||||||
![]() |
![]() 553103B00000 |
![]() Aavid Thermalloy |
![]() Heat Sinks CHANNEL STYLE T0-3 25.4mm HORIZ BLK |
![]() Data Sheet |
![]()
|
|
||||||||||||
![]() |
![]() 5531079 |
![]() Phoenix Contact |
![]() Circuit Breakers TMC 1 M1 100 2.5A |
![]() Data Sheet |
![]() Negotiable |
|
||||||||||||
![]() |
![]() 5531082 |
![]() Phoenix Contact |
![]() Circuit Breakers THERMO CB 5.0A |
![]() Data Sheet |
![]()
|
|
||||||||||||
![]() |
![]() 5531338 |
![]() Phoenix Contact |
![]() Circuit Breakers TMC 42-01/42-02 Thermal-Magnetic |
![]() Data Sheet |
![]()
|
|
||||||||||||
(China (Mainland))













