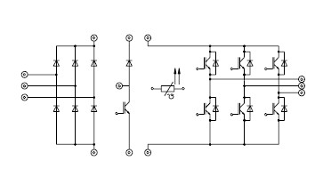
Product Summary
The SKIIP31NAB12T45 is a 3-phase bridge inverter.
Parametrics
SKIIP31NAB12T45 absolute maximum ratings: (1)VCES: 1200 V; (2)VGES: ±20 V; (3)IC Theatsink - 25 / 80 C: 45/30 A; (4)ICM tp < 1 ms; Theatsink - 25 / 80℃: 90/60 A; (5)IF Theatsink - 25 / 80℃: 38/26 A; (6)IFM - _ICM tp < 1 ms; Theatsink - 25/80 ℃: 76/52 A; (7)VRRM: 1500 V; (8)ID Theatsink - 80℃: 35 A; (9)IFSM tp - 10 ms; sin. 180 °, Tj - 25 ℃: 700 A; (10)I2t tp - 10 ms; sin. 180 °, Tj - 25 ℃: 2400 A2s; (11)Tj: -40 : + 150℃; (12)Tstg: -40 : + 125 ℃; (13)Visol AC, 1 min.: 2500 V.
Features
SKIIP31NAB12T45 features: (1)VCEsat I C - 30 A Tj - 25 (125)℃℃3,0(3,7)V; (2)td(on)VCC - 600 V; V*E -±15V: 110 ns; (3)tr IC - 30 A;Tj - 125 ℃: 110 ns; (4)td(off)Rgon - Rgoff - 39 D: 600 ns, inductive load: 90 ns; (5)Eon + Eoff: 7,8 mJ; (6)Cies VCE - 25 V; VGE - 0V, 1 MHz: 2,0 nF; (7)Rthjh per IGBT: 0,7 K/W.
Diagrams

(China (Mainland))






