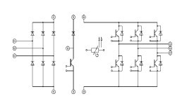
Product Summary
The SKIIP31NAB063T21 is a 3-phase bridge rectifier+braking chopper+3-phase bridge inverter.
Parametrics
SKIIP31NAB063T21 absolute maximum ratings: (1)Vces: 600V; (2)Vges: ±20V; (3)IC: 45/32A; (4)ICM: 90/64A; (5)IF=-IC: 57/38A; (6)IFM=-ICM: 114/76A; (7)VRRM: 800V; (8)ID: 35A; (9)IFSM: 700A; (10)I2T: 2400 A2s; (11)Tj: -40 to 150℃; (12)Tstg: -40 to 125℃; (13)Viso: 2500V.
Features
SKIIP31NAB063T21 features: (1)Case M3; (2)UL recognized file no. E63532; (3)fast NPT IGBTs.
Diagrams

(China (Mainland))






