Product Summary
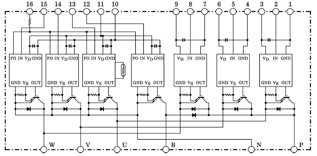
The MIG100Q201H is an N-channel IGBT. The applications of the MIG100Q201H include high power switching, MOTOR control. ,
Parametrics
MIG100Q201H absolute maximum ratings: (1)Supply voltage, P-N power terminal, VCC: 900V; (2)Collector-emitter voltage, VCES: 1200V; (3)collector current. Tc= 25℃, DC, IC: 100A; (4)forward current, Tc= 25℃, DC, IF: 100A; (5)Collector power dissipation, Tc= 25℃, PC: 800W; (6)Junction temperature, Tj: 150℃.
Features
MIG100Q201H features: (1)Interates inverter, brake power circuits & control circuits (IGBT drive units, protection units for over-current, under-voltage &over-temperature) in one package; (2)The electrodes are isolated from case; (3)High speed type IGBT: VCE(sat)= 3.5V(Max.); toff=2.5μs(Max.); trr= 0.21μs(Max.); (4)Outline: TOSHIBA 2-136 A1A; (5)Weight.
Diagrams

(China (Mainland))






