Product Summary
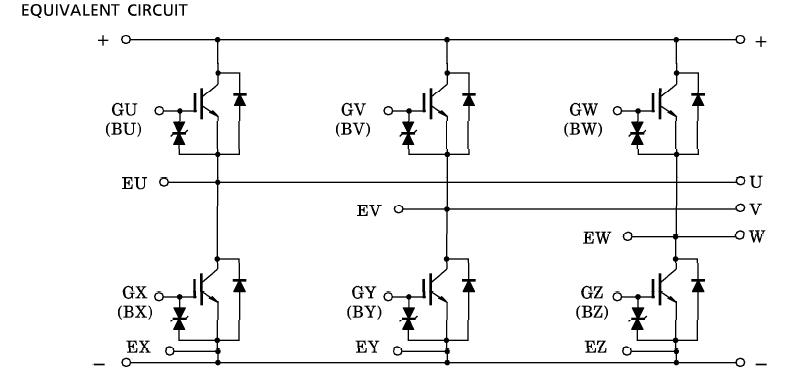
The MG50Q6ES1 is a silicon N channel IGBT. It is suitable for high power switching applications and motor control applications.
Parametrics
MG50Q6ES11 absolute maximum ratings: (1)collector-emitter voltage, VCES: 1200V; (2)gate-emitter voltage, VGES: ±20V; (3)collector current, DC, IC: 50A; 1ms, ICP: 100A; (4)forward current, DC, IF: 50A; 1ms, IFM: 100A; (5)collector power dissipation (TC=25℃), PC: 250W; (6)junction temperature, Tj: 150℃; (7)storage temperature range, Tstg: -40~125℃; (8)isolation voltage, VISOL: 2500(AC 1minute) V; (9)screw torque (Terminal/Mounting): 2/3 N.m.
Features
MG50Q6ES11 features: (1)The Electrodes are isolated from case; (2)6 IGBTs are built into 1 package; (3)enhancement-mode; (4)low saturation voltage; (5)high speed.
Diagrams

(China (Mainland))






