Product Summary
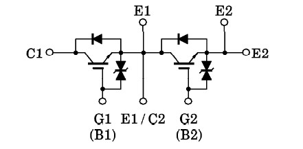
The MG25Q2YS40 is a silicon N channel IGBT.
Parametrics
MG25Q2YS40 absolute maximum ratings: (1)Colleetor-Emitter Voltage VCES: 1200 V; (2)Gate-Emitter Voltage VGES: ±20 V; (3)Collector Current DC ic: 25 A; (4)Collector Current 1ms TCP: 50 A; (5)Forward Current DC If: 25 A; (6)Forward Current 1ms Ifm: 50 A; (7)Collector Power Dissipation (Tc = 25℃)PC: 250W; (8)Junction Temperature Tj: 150 ℃; (9)Storage Temperature Range Tstg: -40-125 ℃; (10)Isolation Voltage Vlsol: 2500 (AC 1 minute) V.
Features
MG25Q2YS40 features: (1)High Input Impedance; (2)High Speed : tf= 0.5μs (Max.)trr = 0.5/μs (Max.); (3)Low Saturation Voltage : VCE(sat)= 4.0V (Max.); (4)Enhancement-Mode; (5)Includes a Complete Half Bridge in One Package; (6)The Electrodes are Isolated from Case.
Diagrams

(China (Mainland))






