Product Summary
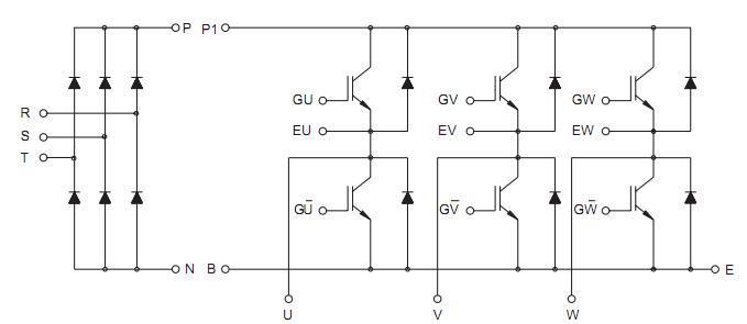
The CM25MD1-24H is a Powerex CI Module designed for use in switching applications. Each module consists of a three phase diode converter section and a three phase IGBT inverter section. All components and interconnects are isolated from the heat sinking baseplate, offering simplified system assembly and thermal management. The applications of the CM25MD1-24H include AC Motor Control, Motion/Servo Control, General Purpose Inverters, Robotics.
Parametrics
CM25MD1-24H absolute maximum ratings: (1)Power Device Junction Temperature, Tj: -40 to 150℃; (2)Storage Temperature, Tstg: -40 to 125℃; (3)Mounting Torque, M4 Mounting Screws: 13 in-lb; (4)Module Weight (Typical): 100 Gram; (5)Isolation Voltage, AC 1 minute, 60Hz, VRMS: 2500 Volts; (6)Repetitive Peak Reverse Voltage, VRRM: 1600 Volts; (7)Recommended AC Input Voltage, Ea: 440 Volts; (8)DC Output Current, IO: 25 Amper; (9)Surge (Non-repetitive) Forward Current, IFSM: 250 Amper; (10)I2t for Fusing, I2t: 260A2s.
Features
CM25MD1-24H features: (1)Low Drive Power; (2)Low VCE(sat); (3)Discrete Super-Fast Recovery (70ns) Free-Wheel Diodes; (4)High Frequency Operation (20-25 kHz); (5)Isolated Baseplate for Easy Heat Sinking.
Diagrams

| Image | Part No | Mfg | Description | ![]() |
Pricing (USD) |
Quantity | ||||||||||||
|---|---|---|---|---|---|---|---|---|---|---|---|---|---|---|---|---|---|---|
![]() |
![]() CM25MD1-24H |
![]() Other |
![]() |
![]() Data Sheet |
![]() Negotiable |
|
||||||||||||
| Image | Part No | Mfg | Description | ![]() |
Pricing (USD) |
Quantity | ||||||||||||
![]() |
![]() CM2500 |
![]() Other |
![]() |
![]() Data Sheet |
![]() Negotiable |
|
||||||||||||
![]() |
![]() CM250021 |
![]() Other |
![]() |
![]() Data Sheet |
![]() Negotiable |
|
||||||||||||
![]() |
![]() CM250C-100.000KAZF-UT |
![]() Citizen |
![]() Crystals 100 KHz 12.5pF KHZ PLASTIC SMD |
![]() Data Sheet |
![]()
|
|
||||||||||||
![]() |
![]() CM250C-38.400KAZF-UT |
![]() Citizen |
![]() Crystals 38.4 KHz 12.5pF KHZ PLASTIC SMD |
![]() Data Sheet |
![]()
|
|
||||||||||||
![]() |
![]() CM250C-40.000KAZF-UT |
![]() Citizen |
![]() Crystals 40 KHz 12.5pF KHZ PLASTIC SMD |
![]() Data Sheet |
![]()
|
|
||||||||||||
![]() |
![]() CM250S-36.000KAZF-UT |
![]() Citizen |
![]() Crystals 36 KHz 12.5fF KHZ PLASTIC SMD |
![]() Data Sheet |
![]()
|
|
||||||||||||
(China (Mainland))










