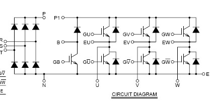
Product Summary
The CM15LD-12H is an IGBT module. Application areas of the CM15LD-12H include AC and DC motor controls, General purpose inverters, Servo controls, NC, Robotics.
Parametrics
CM15LD-12H absolute maximum ratings: (1)Collector-emitter voltage: 1200V; (2)Gate-emitter voltage: ±20 V; (3)Emitter Current: 15A; (4)Maximum collector dissipation: 66W.
Features
CM15LD-12H features: (1)IC: 15A; (2)VCES: 1200V; (3)Insulated Type; (4)CIB Module; (5)3f Inverter+3f Converter+Brake; (6)UL Recognized.
Diagrams

(China (Mainland))






