Product Summary
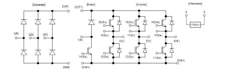
The 7MBR30SA060B is an insulated gate bipolar transistor. The applications of the 7MBR30SA060B include inverter for motor drive, AC and DC servo drive amplifier, uninterruptible power supply.
Parametrics
7MBR30SA060B absolute mixmum ratings: (1)Inverter: Collector-emitter voltage, VCES: 600V; Gate-emitter voltage, VCES: ±20V; Collector current, continuous, IC: 30A; 1ms, ICP: 60A; -IC: 30A; (2)Brake: Collector power dissipation, 1device, Pc: 120W ; Collector-emitter voltage, VCES: 600V; Gate-emitter voltage, VGES: ±20V; Collector current, continuous, IC: 20A; 1ms, ICP: 40A; collector power dissipation, 1 device, Pc: 80W; Repetitive peak reverse voltage, VRRM: 600V; (3)Converter: Repetitive peak reverse voltage, VRRM: 800V; Average output current, 50Hz/60Hz sine wave, IO: 30A; Surge current (Non-Repetitive), Tj=150℃, 10ms half sine wave, IFSM: 210A; I2t (Non-Repetitive), Tj=150℃, 10ms half sine wave, I2t: 221A2s; (4)Operating junction temperature, Tj: +150℃; (5)Storage temperature, Tstg: -40 to +125℃; (6)Isolation between terminal and copper, AC : 1 minute, Viso: AC 2500V; (7)voltage between thermistor and others: AC 2500V ; (8)Mounting screw torque: 3.5N·m.
Features
7MBR30SA060B features: (1)Low VCE(sat); (2)Compact package; (3)P.C. board mount; (4)Converter diode bridge, dynamic brake circuit.
Diagrams

(China (Mainland))






