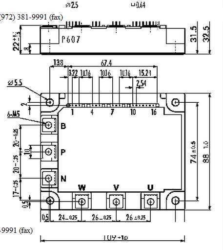
Product Summary
The 7MBI75SA120B is an IGBT module.
Parametrics
7MBI75SA120B absolute maximum ratings: (1)collector-emitter voltage: 600V; (2)gate-emitter voltage: ±20V; (3)collector current: 75A; (4)collector power dissipation: 320W; (5)gate-emitter voltage: ±20V.
Features
7MBI75SA120B features: (1)including brake chopper; (2)square RBSOA; (3)low saturation voltage; (4)overcurrent limiting function.
Diagrams

(China (Mainland))






