Product Summary
The H5CL-ADS is a HCMOS TRI-state enable/disable oscillator.
Parametrics
H5CL-ADS absolute maximum ratings: (1)Frequency Range (FO): 1.000 ~ 160.000 MHz; (2)Storage Temperature Range (TSTG): -55ºC ~ +125ºC; (3)Supply Voltage (VDD): 5.0V ± 10%; (4)Input Current: 100mA.
Features
H5CL-ADS features: (1)5.0V Operationg; (2)HCMOS/TTL Output; (3)Tri-State Enable/Disable; (4)8-Pin DIP.
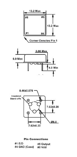
Diagrams

(China (Mainland))






