Product Summary
The G6M-1A-5V is a PCB power relay.
Parametrics
G6M-1A-5V absolute maximum ratings: (1)Rated voltage: 5 VDC; (2)Rated current: 24 mA; (3)Coil resistance: 208 Ω; (4)Must operate voltage: 75% max. of rated voltage; (5)Must release voltage: 5% min. of rated voltage; (6)Max. voltage: 160% of rated voltage (at 23° C); (7)Power consumption: Approx. 120 mW.
Features
G6M-1A-5V features: (1)Slim 5-mm width, and miniature size; (2)Reduced mounting area ideal for high-density mounting; (3)Highly efficient magnetic circuit for high sensitivity (40% higher than the G6D, with power consumption of 120 mW); (4)Satisfies IEC61131-2 and IEC61010 requirements; (5)SIL (single-in-line)terminal pitch; (6)UL, CSA approved. VDE approval pending; (7)RoHS compliant.
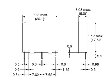
Diagrams

(China (Mainland))






