Product Summary

The G5A-237P-ST-US-12V is a low signal relay.

Parametrics

G5A-237P-ST-US-12V absolute maximum ratings: (1)Rated load, Resistive load (p.f. = 1): 0.50 A at 30 VAC, 1 A at 30 VDC; Inductive load (p.f. = 0.4) (L/R = 7 ms): 0.10 A at 30 VAC, 0.20 A at 30 VDC; (2)Contact material: Ag (Au clad); (3)Carry current: 1 A; (4)Max. operating voltage: 125 VAC, 125 VDC; (5)Max. operating current, Resistive load (p.f. = 1): 1 A (AC)1 A (DC); Inductive load (p.f. = 0.4) (L/R = 7 ms): 0.50 A (AC) 0.50 A (DC); (6)Max. switching capacity, Resistive load (p.f. = 1): 37.50 VA, 33 W; Inductive load (p.f. = 0.4) (L/R = 7 ms): 12.50 VA 11 W; (7)Min. permissible load (See note): 10 μA, 10 mVDC.

Features

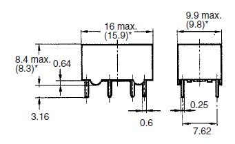
G5A-237P-ST-US-12V features: (1)Subminiature 8.40 H x 9.90 W x 16 L mm; (2)Unique moving-loop armature reduces relay size, magnetic interference, and contact bounce time:; (3)Low nominal power consumption; (4)Bifurcated crossbar contact assures reliable switching of loads as low as 10 mVDC, 0.1 mA (reference value); (5)Available in standard and ultrasonic cleaning versions; (6)Highly stable magnetic circuit for latching endurance and excellent resistance to vibration and shock; (7)Single or double coil winding types available; (8)RoHS Compliant.

Diagrams

G5A-237P-ST-US-12V pin connection